产品展示
新闻资讯
联系我们
手机:13906416467
电话:13906416467
地址:山东省济南市历城区虞山路5567号大博科技园
品牌:聚分仪表(山东)有限公司
测量原理
光的折射是一种物理现象,其中光的传播方向会随着其穿过不同的介质而发生变化。通过这种现象,即使在我们日常生活中看似熟悉的普通地方,我们也可以观察到光的方向变化和物质的“弯曲”外观。
比如,想象一下眼镜的镜片或游泳池。透过镜镜片观察物体,对象物看起来可能变大或变小。从水边观察站在水池中的人,对方的腿看起来会变短很多。这是因为光从介质A(这里为空气)进入介质B(镜片或游泳池中的水)时,发生了折射的缘故。另外,我们已经知道, 光的折射也会因液体温度而变化。
折射率是表示折射的程度,与成分的浓度(混合比)成正比。因此,溶于10g糖和20g糖的100ml水溶液相比,后者的折射率会增加,因浓度变化引起的折射率差异也已在蔗糖以外的溶液中得到证实。
如下图所示:从 LED 发出的光线经过光纤从蓝宝石棱镜的一侧进入蓝宝石棱镜,并到达棱镜与液体物料的接触面上,根据接触面处液体折射率的不同,一部份光被全反射到棱镜的另一侧,全反射光的位置会因为临界角改变而改变(临界角会因为液体折射率不同而不同), CCD用于精确检测全反射回来的光的位置,而每一个位置对应着折射率。

产品优点
● 不受待测物料的颜色、浊度、粘度的影响
● 不受物料中气泡、固体杂质、结晶体的影响
● 不受液体压力变化、流量突变、湍流现象影响
● 无机械动作测量、确保稳定性和长寿命
● 检测棱镜全平面结构;运行无需试剂耗材且低功耗
● 集成测量、显示;支持面板及蓝牙通讯设置、查看参数
● 4-20mA/RS485;内置报警、清洗及开关量信号输出
● 凭借多年的行业应用经验为客户提供完善的产品应用解决方案
●实验室可以为客户的特定溶液提供数据建模及测试服务

HY-C 系列技术规格书
产品型号
HY-C-303
测量范围
1.3200 - 1.3920 RI / 0.0 - 35.0% Brix
测量精度
± 0.00017 RI / ± 0.15 Brix
● 常规参数(同系列产品以下类似)
棱镜材质
人造蓝宝石
输入电源
24V DC
防护等级
检测部分 IP67
尺寸重量
长 109 x 直径 77mm; 1000g
安装选项 IDF/ISO 管道适配器,螺纹管道适配器,小管径适配器,材质有:304、316、PVC……
分 辨 率
0.00002 RI / 0.02 Brix
测量温度
0°C up to +70°C
信号输出
4-20 mA/ RS485
清洗选项
可选毛刷自动清洗、超声波、水清洗
测量项目
折射率、温度、Brix(或其它标度)
温度补偿
5-70°C
触液材质
316L 可选: 2205、哈氏合金 C-276
工艺压力
最大 1 MPa
特殊标度
更多的特殊标度请查看本手册后面的清单



管道安装适配器材质根据测量溶液,可选 PVC、PP、PTFE 等非金属材质,订货前需要说明。
管道安装方式


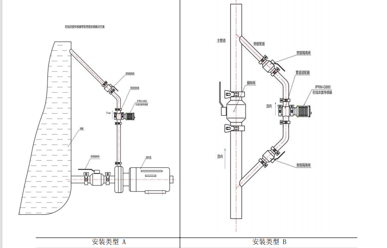
产品安装实例

安装类型 A
类型 A:毫无疑问,使用循环泵的旁路安装结
构是最佳的,因为它可以提供已知、恒定的产
品流量和通过浓度传感器棱镜的速度。当精度
最重要时,这种安装方法被认为是最好的。 它
还需要两个旁通隔离阀。
但是,在使用这种安装方法时,建议在循环泵
和传感器之间的管道上增加一个减震器,以防
止传感器受到泵振动的影响。
安装类型 B
类型 B:不带循环泵的旁通安装配置是可以接受的,因为
该过程可以支撑由节流阀或节流阀产生的压降,以确保最 佳
的待测液体流经浓度传感器的旁通管道中。 这种安装方
法还需要两个截止阀,以将浓度传感器与管线隔离,以 便进
行维修而不会中断生产

类型 C:通常不建议将浓度传感器直接安装在 类型 D:储罐罐壁的安装方法要求储罐中与棱镜接触的溶
主管道上。即使一开始价格可能会便宜一些, 液能够连续流动,以避免产品堆积在棱镜表面上。 还请
但后面会发现维修变得更加困难。如果需要维 确保刮刀或搅拌器不会损坏测量棱镜的表面。 要将浓度
修,或者需要简单的棱镜清洁,则在生产线开 传感器直接安装在罐壁上,请使用支撑适配器法兰安装
始维修时必须暂时停止生产过程。这种安装方 件。
法通常需要两个阀门,以便在维修过程中将浓
度传感器与生产线隔离。

可测量溶液种类
食品生化行业
1、糖类:蔗糖、麦芽糖、葡萄糖、糖浆、甜菜糖、糖膏、蜜糖、三氯蔗糖、粗糖……
2、食品果汁饮料:豆制品、豆浆、腐竹、豆奶、奶制品、酸奶;果汁、浓缩果汁、果冻、糖果、果胶、果糖;蜂蜜、蜂胶、淀粉、番茄酱、巧克力、咖啡、各种食品提取物、食品添加剂;软饮料、茶饮料、 茶多酚、味精、白酒、啤酒、黄酒、酒精……
3、生化:医药中间体、甘油、明胶、骨胶、柠檬酸、赖氨酸、乳酸……
石化行业
1、溶剂类:NMP、DMF、DMAC、DMSO、丙酮
2、酸类:醋酸(乙酸)、甲酸、柠檬酸、盐酸、乳酸、硼酸、硫酸、发烟硫酸、磷酸、草酸、谷氨酸、马 来酸、三氯乙酸……
3、碱类:氨水、氢氧化钠、氢氧化钙、氢氧化钾、碳酸钠、碳酸氢钠、硫氢化钠
4、醇类:乙醇、甲醇、乙二醇、丙二醇、异丙醇、正丙醇、三甘醇、二甘醇、山梨醇、木糖醇、甘露醇、 聚乙烯醇
5、其它 A 类:次氯酸钠;氯化钠、氯化钾、氯化钡、氯化铁、氯化铵、氯化锂、氯化铜、氯化铯、氯化镁;山梨酸钾、氢氧化钾、硝酸钾、碘化钾、溴化钾、碳酸钾、硫酸钾、磷酸二氢钾、磷酸氢钾;硝酸银、硫酸铜、硫酸铵、硫酸锌、硫酸锰、硫酸镁;溴化钠、磷酸钠、乙酸钠/醋酸钠、柠檬酸钠、硝 酸钠、硅酸钠/水玻璃、硫代硫酸钠、亚硫酸钠、磷酸二氢钠、乙二胺二钠
6、其它 B 类:造纸黑液、绿液、施胶剂;三氯化铁、四氢呋喃、己内酰胺、丁腈橡胶、尼龙 66 盐…… 机械加工行业
切削液、乳化液、拉丝液、清洗液、磨削液、脱模剂、淬火液、表面活性剂…… 其它未列的检测溶液,欢迎来电咨询。
- 上一篇:没有了!
- 下一篇:没有了!
